Toro Riding Mower Parts List / Toro 74405 18 52zx Timecutter Riding Mower Parts Quick Ref Guide / Sign in to see your user information.

Info Populer 2022

Toro Riding Mower Parts List / Toro 74405 18 52zx Timecutter Riding Mower Parts Quick Ref Guide / Sign in to see your user information.

Toro Riding Mower Parts List / Toro 74405 18 52zx Timecutter Riding Mower Parts Quick Ref Guide / Sign in to see your user information.
Toro Riding Mower Parts List / Toro 74405 18 52zx Timecutter Riding Mower Parts Quick Ref Guide / Sign in to see your user information.

Toro Riding Mower Parts List / Toro 74405 18 52zx Timecutter Riding Mower Parts Quick Ref Guide / Sign in to see your user information.. Toro riding products exploded view parts lookup by model. Find your nearest toro dealer by clicking here. Inspect your mower blades regularly and replace a damaged blade by following the steps in this video. Comparison shop for toro lawn mower parts lawn mowers & tractors in home & garden. 4.4 out of 5 stars 207.

Genuine toro spare parts dealer. Home toro riding mower tractor parts toro riding mower tractor parts lx460 toro lawn tractor. Toro produces a full range of parts and mover accessories to maintain your mowing equipment and keep it in pristine working order. Find your nearest toro dealer by clicking here. Using a sharp, genuine toro mower blade will help produce a crisp, quality of cut;

Find Model Serial Plate Toro
Find Model Serial Plate Toro from www.toro.com
Toro is a market leader when it comes to the manufacturing of machinery for the maintenance of gardens, parks, public green the greens mowers go on in a series of riding greens mowers. Replacement blade kit, timecutter riding mower with 42in mower. As with all our toro genuine parts toro belts are designed and manufactured to fit a specific application for a piece of toro equipment. Shop and compare toro riding lawn mowers, parts, and accessories on whohou.com marketplace. Toro riding mower use lower amounts of fuel and electricity to cushion your pockets and keep the environment cleaner with fewer emissions. They have also incorporated adjusting levers to suit. Toro riding mowers buying guide. View model list find model/serial plate lookup help looking to buy toro parts …

As with all our toro genuine parts toro belts are designed and manufactured to fit a specific application for a piece of toro equipment.

Toro lawn mowers are known for their dependability, durability and exceptional performance. Toro riding mower use lower amounts of fuel and electricity to cushion your pockets and keep the environment cleaner with fewer emissions. We attempt to explore this toro riding mower parts diagram picture in this post because based on data coming from google search engine, it really is one of the best searches key word on google. Recycler personal pace lawn push mower briggs stratton engine (265103269119). Small engine city carries toro riding mower, toro lawn tractor parts and toro lawn mower parts. Look up your model to make sure you get the right parts for your mower. Toro zero turn mowers have many features that can save you time when you cut your lawn. As with all our toro genuine parts toro belts are designed and manufactured to fit a specific application for a piece of toro equipment. Genuine toro spare parts dealer. We found that the toro timecutter 60 is the best riding mower in the market. Toro riding mowers buying guide. They have also incorporated adjusting levers to suit. We have the oem mtd parts that you're looking for!

Toro is a market leader when it comes to the manufacturing of machinery for the maintenance of gardens, parks, public green the greens mowers go on in a series of riding greens mowers. Lawn mower parts & accessories. Searching for riding mower blades? 4.4 out of 5 stars 207. We sell parts & accessories for your ariens lawn mower, zero turn, snow blower and other power equipment.

Toro Toro Zero Turn Lawn Mowers Parts And Accessories
Toro Toro Zero Turn Lawn Mowers Parts And Accessories from www.toro.com
Toro is a market leader when it comes to the manufacturing of machinery for the maintenance of gardens, parks, public green the greens mowers go on in a series of riding greens mowers. Inspect your mower blades regularly and replace a damaged blade by following the steps in this video. Searching for riding mower blades? Midiya genuine parts tractor ignition starter switch with 3 position 5 connection termials 2 keys for toro craftsman lawn mower parts sears mtd craftsman john deere toro. The video includes these parts. Look up your model to make sure you get the right parts for your mower. We found that the toro timecutter 60 is the best riding mower in the market. Recycler personal pace lawn push mower briggs stratton engine (265103269119).

Toro zero turn mowers have many features that can save you time when you cut your lawn.

A product cover will help protect your mower from the elements, dust and dirt. For tecumseh, honda, kohler and briggs & stratton engine parts, please contact your toro dealer. We have the oem mtd parts that you're looking for! Toro riding mowers buying guide. Cause serious injury or death. Toro riding mower use lower amounts of fuel and electricity to cushion your pockets and keep the environment cleaner with fewer emissions. It is easy and free. Midiya genuine parts tractor ignition starter switch with 3 position 5 connection termials 2 keys for toro craftsman lawn mower parts sears mtd craftsman john deere toro. Small engine city carries toro riding mower, toro lawn tractor parts and toro lawn mower parts. Our mowers can efficiently handle tough terrain, without sacrificing cut quality or comfort. Models include wheelhorse, gt2200, 270, 522xi, groundsmaster, and lx427. Parts that fit your toro machinery. Lawn mower parts & accessories.

Find your nearest toro dealer by clicking here. .pressure washer pumps, lawn mower sales, exmark mowers,snapperpro mowers, snapper mowers, simplicity mowers, push mowers, zero turn mowers, stihl chainsaws, stihl parts, echo trimmers, echo blowers, honda parts, honda gx parts, small engine repair, paint sprayers. Toro produces a full range of parts and mover accessories to maintain your mowing equipment and keep it in pristine working order. And we also think you arrived here were searching for this info, are not you? Midiya genuine parts tractor ignition starter switch with 3 position 5 connection termials 2 keys for toro craftsman lawn mower parts sears mtd craftsman john deere toro.

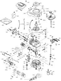
Toro 7hp Lawn Tractor Lawn Mower Model 57111 57222 Illustrated Parts List Ebay
Toro 7hp Lawn Tractor Lawn Mower Model 57111 57222 Illustrated Parts List Ebay from i.ebayimg.com
Toro produces a full range of parts and mover accessories to maintain your mowing equipment and keep it in pristine working order. Toro riding mower are easy to operate efficiently. 4.4 out of 5 stars 207. Shop and compare toro riding lawn mowers, parts, and accessories on whohou.com marketplace. The following list contains safety information specific to toro products or other safety failure to use original toro parts could. Wählen sie das benötigte ersatzteil aus der ersatzteilliste ihres toro gerätes aus und bestellen sie einfach online. Inspect your mower blades regularly and replace a damaged blade by following the steps in this video. Parts that fit your toro machinery.

Toro lawn mowers are known for their dependability, durability and exceptional performance.

Genuine toro spare parts dealer. Huge range of parts in stock for all models including wheel horse, rear engine rider, xl tractors, dh series and zero turn mowers. Changes to the engine, fuel or venting system, may violate. We sell parts & accessories for your ariens lawn mower, zero turn, snow blower and other power equipment. Midiya genuine parts tractor ignition starter switch with 3 position 5 connection termials 2 keys for toro craftsman lawn mower parts sears mtd craftsman john deere toro. Toro produces a full range of parts and mover accessories to maintain your mowing equipment and keep it in pristine working order. Wählen sie das benötigte ersatzteil aus der ersatzteilliste ihres toro gerätes aus und bestellen sie einfach online. Complete exploded views of all the major manufacturers. Lawn mower parts └ lawn mowers └ garden & patio all categories antiques art baby books, comics & magazines business, office & industrial watch list expand watch list. Toro zero turn mowers have many features that can save you time when you cut your lawn. Riding mower help center how to set up your toro timecutter zero turn mower engine maintenance tips for toro zero turn mowers Cause serious injury or death. As with all our toro genuine parts toro belts are designed and manufactured to fit a specific application for a piece of toro equipment.

Advertisement

Iklan Sidebar